Weboldalunk használatával jóváhagyja a cookie-k használatát a Cookie-kkal kapcsolatos irányelv értelmében.IBO IGDL 50-12-0,75 | DN40 15m 320l 230V 750W | IBO Keringető szivattyú [ipari keringető szivattyú]
- Max. emelőmagasság (Hmax) 15m
- Max. térforagáram (Qmax) 19.2/ óra
- Garancia 24 hónap
- Cikkszám: 020676205
-
Elérhetőség:
Utolsó 1 db raktáron
- Gyártó: IBO
-
Az IBO IGDL szivattyú egy nagy teljesítményű, többlépcsős szivattyú hideg és meleg víz szállítására. Vízellátó, nyomásfokozó, fűtési és ipari rendszerekben alkalmazható minden olyan helyen, ahol a tiszta víz megbízható keringtetése szükséges széles hőmérsékleti tartományban.
Kinek ajánlott
- Szerelők és kivitelező cégek – bevált megoldás vízellátó, fűtési és HVAC rendszerek kiépítéséhez vagy korszerűsítéséhez lakó- és középületekben, stabil üzemi paraméterekkel.
- Társasházak és kereskedelmi létesítmények üzemeltetői – hatékony víznyomás-növelés és a felhasználói komfort biztosítása magas épületekben, valamint kiterjedt hideg- és melegvíz-hálózatokban.
- Ipar és gyártóüzemek – megbízható közegkeringetés technológiai rendszerekben, hűtőkörökben és kazánvíz-ellátásban, magas energiahatékonyságú szivattyú alkalmazásával.
- Mezőgazdasági termelők – használható öntözőrendszerekben, vízellátó rendszerekben és technológiai berendezéseket kiszolgáló rendszerekben.
- Tervezők – univerzális szivattyú olyan rendszerekhez, ahol tiszta vízzel, akár emelt hőmérsékleten is megbízható működés szükséges, pontosan meghatározott beömlési nyomáskövetelményekkel.
Alkalmazási területek
- Vízellátó és nyomásfokozó rendszerek magas épületekben, vízvezeték-hálózatok és használati víz elosztó rendszerek táplálása.
- HVAC és fűtési rendszerek, beleértve a hideg és meleg víz keringetését, kazánköröket, valamint hőcserélőkkel és légkezelő egységekkel való együttműködést.
- Ipari keringtető rendszerek, technológiai vízkörök és gyártóberendezéseket kiszolgáló rendszerek.
- Tűzvédelmi rendszerek, tartalék vagy kiegészítő vízellátó rendszerek, valamint közintézmények vízellátó rendszerei.
- Mezőgazdasági öntözőrendszerek, locsoló rendszerek és tiszta víz szállítása tartályokból vagy víztároló rendszerekből.
Az IBO IGDL szivattyú minden olyan helyen alkalmazható, ahol megbízható szivattyúra van szükség tiszta víz szállítására háztartási, ipari, fűtési vagy öntözési célokra.
Jellemzők, leírás és műszaki adatok
Az IBO IGDL egy korszerű, többlépcsős szivattyú, amelyet tiszta víz szivattyúzására terveztek. Kialakítása lehetővé teszi a nagy hatásfokú működést és az emelt hőmérsékletű közeggel való üzemeltetést. A berendezés hideg és meleg vízzel is működhet, feltéve hogy a közeg nem tartalmaz szálas vagy szilárd szennyeződéseket, és a meleg víz lágy víz, azaz alacsony oldott kalcium- és magnéziumtartalommal rendelkezik. Tipikus alkalmazási területei közé tartozik a magas épületek vízellátása és nyomásfokozása, csővezeték-rendszerek nyomásfokozása, HVAC és fűtési rendszerek, valamint a hideg és meleg víz keringetése lakossági és ipari rendszerekben. A szivattyú kazánvíz ellátására és ipari keringtető rendszerekben is alkalmazható, ahol stabil áramlási és nyomásviszonyokra van szükség.
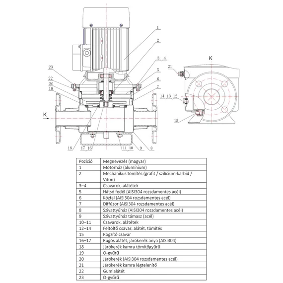
Felépítés és anyagok
Az IBO IGDL szivattyú konstrukciója tartós anyagokra épül, amelyek hosszú élettartamot és megbízható működést biztosítanak.
- A szivattyúház, a diffúzor, a közfal és a hátsó fedél AISI 304 rozsdamentes acélból készülnek, ami magas korrózióállóságot és biztonságos működést garantál tiszta víz esetén.
- A motorház alumíniumból készül, amely jó hőelvezetést és viszonylag alacsony tömeget biztosít.
- Motorház: alumínium
- Hátsó fedél, közfal, diffúzor, szivattyúház: AISI 304 rozsdamentes acél
- Szivattyúház tartó: acél
- Mechanikus tömítés: grafit, szilícium-karbid, FKM (Viton) tömítés
- A grafit és szilícium-karbid elemekből álló mechanikus tömítés, valamint az FKM tömítés alkalmazása biztosítja a szivárgásmentes működést és az emelt hőmérsékletű közeggel való biztonságos üzemeltetést.
Motor és elektromos paraméterek
Az IBO IGDL szivattyú nagy hatásfokú IE3 energiaosztályú villanymotorral van felszerelve, ami alacsonyabb energiafogyasztást biztosít a szükséges teljesítmény fenntartása mellett. A motor IP55 védettségi fokozattal rendelkezik, amely hatékony védelmet nyújt a por és a vízsugarak ellen, valamint F szigetelési osztályú, ami lehetővé teszi a magasabb tekercshőmérséklet melletti működést. A motor üzemmódja folyamatos üzemre készült tipikus vízellátó és fűtési rendszerekben.
Üzemi feltételek és működési paraméterek
Az IBO IGDL szivattyú tiszta víz szállítására alkalmas, amely nem tartalmaz szálakat, homokot vagy más szilárd részecskéket, mivel ezek károsíthatják a hidraulikai alkatrészeket és a tömítéseket. Meleg vízzel történő üzemeltetés esetén lágy víz használata szükséges, ami csökkenti a vízkőképződés kockázatát és növeli a szivattyú és a rendszer élettartamát. Szállított közeg: tiszta víz, szilárd részecskék és szálas anyagok nélkül Meleg víz esetén: lágy víz szükséges (alacsony oldott kalcium- és magnéziumtartalom). A zavartalan működés és a kavitáció elkerülése érdekében biztosítani kell a minimális beömlési nyomást a szívóoldalon, amely a közeg hőmérsékletétől függ. Közeg hőmérséklet legfeljebb 75°C esetén: minimális beömlési nyomás 0,4 bar (4 m vízoszlop). Közeg hőmérséklet 90°C esetén: minimális beömlési nyomás 0,7 bar (7 m vízoszlop) A megfelelő beömlési nyomás és a szivattyú telepítési magasságának meghatározását minden esetben a rendszer tervezésekor kell ellenőrizni, figyelembe véve a csővezetékben fellépő nyomásveszteségeket és a vízforrás jellemzőit.
Bővebben lásd: termék adatlap 'Leírás' fül.
Még bővebben lásd: Felhasználói kézikönyv ITT.
A részletes leírásban szerepeltetjük a sorozat és a típusok műszaki adatainak és szállítási adatainak összehasonlító táblázatait, továbbá a GYakran Ismételt Kérdéseket (GYIK).
Ha kérdésed van a saját rendszereddel kapcsolatosan, akkor ne habozz azt megosztani velünk - szívesen segítünk! Elérhetőségeinket megtalálod ITT
Termékfülek
Leírás és Paraméterek
IBO IGDL ipari keringető szivattyú sorozat - Műszaki adatok (összehasonlító táblázat, a termék adatlap a cikkszámra kattintva nyílik!)
| Modell | Cikkszám | Motor teljesítmény [kW] |
Áramfelvétel 1x230V [A] |
Áramfelvétel 3x400V [A] |
H max. (m) |
H min. (m) |
Q max. (l/perc) |
Tömeg (kg) |
|
|---|---|---|---|---|---|---|---|---|---|
| 1 fázis | 3 fázis | ||||||||
| IGDL 40-8-0,37 | 020676200 | 020676220 | 0.37 | 2.45 | 0.89 | 10 | 5 | 200 | 12 |
| IGDL 40-12-0,55 | 020676201 | 020676221 | 0.55 | 3.5 | 1.24 | 15 | 6.5 | 250 | 14 |
| IGDL 40-16-0,75 | 020676202 | 020676222 | 0.75 | 4.53 | 1.64 | 18 | 11 | 250 | 15 |
| IGDL 40-19-0,9 | 020676203 | 020676223 | 0.9 | 5.05 | 1.94 | 22 | 8 | 320 | 15.5 |
| IGDL 50-9-0,55 | 020676204 | 020676224 | 0.55 | 3.5 | 1.24 | 12 | 4.5 | 320 | 14 |
| IGDL 50-12-0,75 | 020676205 | 020676225 | 0.75 | 4.35 | 1.64 | 15 | 8 | 320 | 15 |
| IGDL 50-16-1,1 | 020676206 | 020676226 | 1.1 | 6.35 | 2.31 | 19 | 9 | 400 | 18.2 |
| IGDL 50-19-1,5 | 020676207 | 020676227 | 1.5 | 8.76 | 3.03 | 22 | 12.5 | 400 | 20 |
IBO IGDL keringető szivattyúk - GYIK (Gyakran Ismételt Kérdések)
Milyen rendszerekhez ajánlott leginkább az IBO IGDL szivattyú?
Az IBO IGDL szivattyú különösen ajánlott vízellátó rendszerekhez, magas épületek víznyomás-fokozására, HVAC és fűtési rendszerekhez, valamint ipari keringető rendszerekhez, ahol a szállított közeg tiszta víz. Alkalmas kazánvíz ellátására, valamint használati meleg- és hidegvíz keringető rendszerekben is, feltéve hogy a közeg minősége és a minimális beömlési nyomás megfelel az előírásoknak.
Miben különbözik az IBO IGDL szivattyú a hagyományos hidegvíz-szivattyúktól?
Számos hagyományos szivattyúval ellentétben, amelyek csak hideg vízzel működnek, az IBO IGDL szivattyú hideg és meleg vízzel egyaránt üzemeltethető, a minimális beömlési nyomásra vonatkozó feltételek betartása mellett. A magasabb hőmérsékletnek ellenálló mechanikus tömítés és az AISI 304 rozsdamentes acél alkatrészek használata miatt a szivattyú jól alkalmazható fűtési és ipari rendszerekben is.
Milyen követelmények vonatkoznak a szívóoldali beömlési nyomásra?
Legfeljebb 75°C közeg-hőmérséklet esetén a minimális beömlési nyomás a szívóoldalon 0,4 bar, ami 4 m vízoszlopnak felel meg, és segít elkerülni a kavitációt és a hatásfok csökkenését. 90°C közeg-hőmérséklet esetén a minimális beömlési nyomás 0,7 bar, ami 7 m vízoszlopnak felel meg, ezért a rendszer tervezésekor és a szivattyú munkapontjának meghatározásakor ezt figyelembe kell venni.
Hogyan kell karbantartani az IBO IGDL szivattyút üzemeltetés közben?
A megfelelő működés alapfeltétele a tiszta vízzel történő üzemeltetés, a szűrők rendszeres ellenőrzése, a rendszer tömítettségének vizsgálata, valamint a motor elektromos paramétereinek ellenőrzése. Melegvizes rendszerekben ajánlott a víz minőségének (vízkeménység, lerakódások) ellenőrzése, valamint a tömítések állapotának rendszeres vizsgálata a hosszú és megbízható működés érdekében.
Milyen garancia vonatkozik az IBO IGDL szivattyúra?
Az IBO márkájú szivattyúk általában a gyártó garanciájával kerülnek forgalomba. A garancia pontos feltételei és időtartama a készülék típusától és a vásárlás körülményeitől függ. Az IBO IGDL modellre vonatkozóan a gyártó 2 éves gyári garanciát ad.
Milyen folyadék szállítására alkalmas az IBO IGDL szivattyú?
Az IBO IGDL tiszta víz szállítására készült. A közeg nem tartalmazhat homokot, szálas szennyeződéseket vagy egyéb szilárd részecskéket, mert ezek károsíthatják a hidraulikai alkatrészeket és a mechanikus tömítést.
Használható az IBO IGDL meleg vízhez is?
Igen, az IBO IGDL hideg és meleg vízhez egyaránt használható. Meleg víz esetén azonban javasolt lágy víz alkalmazása, mivel ez csökkenti a vízkőképződés kockázatát és hozzájárul a hosszabb élettartamhoz.
Miért fontos, hogy meleg víz esetén lágy víz kerüljön a rendszerbe?
A lágy víz alacsonyabb oldott kalcium- és magnéziumtartalommal rendelkezik, így kisebb az esélye a vízkőlerakódás kialakulásának. Ez különösen fontos melegvizes rendszereknél, mert a lerakódások rontják a teljesítményt és növelik a meghibásodás esélyét.
Milyen anyagokból készül az IBO IGDL szivattyú hidraulikai része?
A szivattyúház, a diffúzor, a közfal és a hátsó fedél AISI 304 rozsdamentes acélból készül. Ez a kialakítás jó korrózióállóságot, tartósságot és üzembiztos működést biztosít tiszta víz esetén.
Milyen anyagból készül a motorház?
A motorház alumíniumból készül. Ez kedvező hőelvezetést biztosít, miközben a szivattyú tömegét is viszonylag alacsonyan tartja.
Milyen mechanikus tömítést használ az IBO IGDL?
A szivattyú mechanikus tömítése grafitból, szilícium-karbidból és FKM tömítőanyagból készül. Ez a kombináció segít a szivárgásmentes működés biztosításában és a melegebb közeggel történő üzemben is megbízható választás.
Mit jelent az, hogy a motor IE3 energiaosztályú?
Az IE3 energiaosztály nagyobb energiahatékonyságot jelent a hagyományos motorokhoz képest. Ez alacsonyabb villamosenergia-felhasználást és gazdaságosabb hosszú távú üzemeltetést tesz lehetővé.
Mit jelent az IP55 védettség az IBO IGDL esetében?
Az IP55 védettség azt jelenti, hogy a motor védett a por káros mértékű bejutása ellen, valamint ellenáll a különböző irányból érkező vízsugaraknak. Ez növeli az üzembiztonságot műszaki helyiségekben és ipari környezetben is.
Mit jelent az F szigetelési osztály?
Az F szigetelési osztály azt jelzi, hogy a motor tekercselése magasabb hőterhelés elviselésére is alkalmas. Ez hozzájárul a megbízható működéshez folyamatos üzemben és emelt hőmérsékletű környezetben.
Alkalmas az IBO IGDL folyamatos üzemre?
Igen, a szivattyú kialakítása folyamatos üzemre is megfelelő. Ez különösen előnyös olyan rendszerekben, ahol tartós és egyenletes vízkeringetésre van szükség.
Használható az IBO IGDL magas épületek víznyomás-fokozására?
Igen, az IGDL sorozat egyik tipikus felhasználási területe a magas épületek vízellátása és nyomásfokozása. A többlépcsős kialakítás lehetővé teszi a nagyobb emelőmagasság elérését.
Alkalmas az IBO IGDL HVAC rendszerekhez?
Igen, a szivattyú jól használható HVAC rendszerekben, ahol hideg vagy meleg víz keringtetésére van szükség. Alkalmas hőcserélők, légkezelők és különféle fűtési-hűtési körök kiszolgálására is.
Milyen ipari alkalmazásokban használható az IBO IGDL?
Az IBO IGDL alkalmazható technológiai vízkörökben, kazánvíz-ellátásban, ipari keringtető rendszerekben és minden olyan területen, ahol stabil nyomás- és áramlási viszonyok szükségesek tiszta víz mellett.
Használható öntözőrendszerekben is az IBO IGDL?
Igen, a szivattyú mezőgazdasági öntözőrendszerekben és más tisztavizes vízellátó rendszerekben is alkalmazható. Fontos azonban, hogy a szállított víz ne tartalmazzon szennyeződéseket.
Mit jelent a többlépcsős kialakítás az IBO IGDL esetében?
A többlépcsős kialakítás azt jelenti, hogy a szivattyú több járókerékfokozattal dolgozik. Ennek előnye, hogy nagyobb emelőmagasságot és stabilabb nyomásviszonyokat lehet elérni viszonylag kompakt méret mellett.
Hogyan válasszam ki a megfelelő IGDL típust?
A kiválasztásnál figyelembe kell venni a szükséges térfogatáramot, az emelőmagasságot, a rendszer nyomásigényét, a közeg hőmérsékletét, valamint azt, hogy egyfázisú vagy háromfázisú betáplálás áll rendelkezésre. A megfelelő típus kiválasztását mindig a tényleges munkapont alapján érdemes elvégezni.
Mi a különbség az 1x230V-os és a 3x400V-os kivitel között?
Az 1x230V-os kivitel egyfázisú hálózatra csatlakoztatható, míg a 3x400V-os változat háromfázisú ipari hálózatra készült. A választás elsősorban a rendelkezésre álló elektromos betáplálástól és az üzemeltetési környezettől függ.
Milyen teljesítménytartományban érhető el az IBO IGDL sorozat?
A megadott műszaki adatok alapján a sorozatban 0,37 kW-tól 1,5 kW-ig terjedő motorteljesítményű modellek szerepelnek. Ez lehetővé teszi, hogy kisebb és nagyobb rendszerigényekhez is található legyen megfelelő típus.
Mekkora maximális szállítási teljesítményt tud az IBO IGDL sorozat?
A táblázat alapján az IGDL sorozat egyes típusai legfeljebb 400 l/perc szállítási teljesítményt tudnak. A pontos érték modelltől és üzemi ponttól függ.
Mekkora emelőmagasságot tudnak az IBO IGDL szivattyúk?
A sorozat típusaitól függően az emelőmagasság eltérő. A táblázatban szereplő modellek H max. értékei 10 és 22 méter között alakulnak.
Mit jelent a H max. és H min. érték a műszaki adatok között?
A H max. a szivattyú maximális emelőmagasságát jelöli, míg a H min. az adott típusra jellemző alsó határértéket mutatja. Ezek az adatok segítenek annak eldöntésében, hogy az adott modell alkalmas-e a kívánt rendszerparaméterekhez.
Fontos a szivattyú tömege a telepítésnél?
Igen, a tömeg fontos lehet a szerelhetőség, a tartószerkezet méretezése és a szállítás szempontjából. Az IGDL modellek tömege a táblázat alapján körülbelül 12–20 kg között mozog.
Használható az IBO IGDL tűzvédelmi vagy tartalék vízellátó rendszerekben?
Bizonyos tisztavizes tartalék vagy kiegészítő vízellátó rendszerekben alkalmazható, de konkrét tűzvédelmi felhasználás esetén mindig ellenőrizni kell az adott rendszerre vonatkozó előírásokat, engedélyeket és tervezői követelményeket.
Miért fontos a tiszta víz az IBO IGDL szivattyú számára?
A szivattyú belső hidraulikai elemei és mechanikus tömítése érzékenyek lehetnek a szilárd szennyeződésekre. A tiszta víz használata csökkenti a kopást, növeli az üzembiztonságot és hozzájárul a hosszabb élettartamhoz.
Mi történhet, ha nem megfelelő a szívóoldali nyomás?
Elégtelen beömlési nyomás esetén nő a kavitáció veszélye, romolhat a teljesítmény, zajosabbá válhat a működés, és a szivattyú élettartama is csökkenhet. Ezért a rendszer tervezésénél a szívóoldali viszonyokat különösen fontos ellenőrizni.
Miért lehet jó választás az IBO IGDL társasházak és kereskedelmi épületek számára?
Azért, mert alkalmas stabil nyomás biztosítására, több fogyasztó egyidejű kiszolgálására, valamint nagyobb rendszerek megbízható vízellátására. Emellett energiahatékony motorja és rozsdamentes kialakítása hosszú távon is előnyös lehet.
Mikor érdemes szakember segítségét kérni a kiválasztáshoz?
Akkor, ha a rendszer több fogyasztót lát el, meleg vízzel üzemel, pontos nyomás- és térfogatáram-igények vannak, vagy a szívóoldali feltételek nem egyértelműek. Ilyenkor a helyes típusválasztás és a hosszú távú üzembiztonság érdekében érdemes szakértővel egyeztetni.
Ha kérdésed van a saját rendszereddel kapcsolatosan, akkor ne habozz azt megosztani velünk - szívesen segítünk! Elérhetőségeinket megtalálod ITT
| Tulajdonság | Érték |
|---|---|
| Járókerék anyag: | AISI 304 |
| Szivattyúház anyaga: | AISI 304 |
| Hálózati kapcsolat típusa | 230V |
| Csatlakozás módja: | Karimás |
| Max. teljesítményfelvétel | 750W |
| Tengelykialakítás: | Nedvestengelyű |
| Emelőmagasság | Max. 15 m |
| Szállítási teljesítmény | Max. 320 liter/perc |
| Beépítési hossz | 310mm |
| Motor teljesítmény | 750 Watt |
| Tápfeszültség | 230 V |
| Szigetelési osztály | F |
| Védettség | IP55 |
| Védettség | IP55 |
| Csőcsatlakozás | DN40" |
| Tömeg | 15 kg |
| Környezeti maximális hőmérséklet | 40 °C |
| Folyadék maximális hőmérséklete | 100 °C |
| Motor fordulatszám | 2900 RPM |
| Üzemmód | 1 |
| Hosszúság: | 310 mm |
| Szélesség: | 210 mm |
| Magasság: | 455 mm |