Weboldalunk használatával jóváhagyja a cookie-k használatát a Cookie-kkal kapcsolatos irányelv értelmében.WE 5015-12H 400V | iPRO Merülő szivattyú [szennyvíz, szennyezett víz szivattyúzására]
- Garancia 36 hónap
- Cikkszám: 040474095
-
Elérhetőség:
Előrendelhető
- Gyártó: iPRO
-
A széles járókerékcsatornák akadálytalan áramlást tesznek lehetővé, amelyet nehéz blokkolni. A mechanikus tömítések és csapágyak egyedülálló kombinációja lehetővé teszi egy rövid, viszont nagy merevségű tengely használatát. Szivattyúk különféle telepítési alkalmazásokhoz. A mechatronika, a biztonság és megbízhatóság, valamint az egyszerű karbantartás tökéletes kombinációja. Két független páraérzékelő az olajkamrában és a motorban, valamint egy hőérzékelő az állórész tekercsében. Innovatív iszapkeverő rendszer a szivattyú bemenete körül, a még nagyobb mennyiségű szennyeződés szívásához. S1 merülőmotor folyamatos működéshez, F tekercsszigetelési osztály, IPX8 készülékvédelem.
Termékfülek
Leírás és Paraméterek
A bemutatott, akár 7,5 kW-os motorteljesítményű WE szennyvízszivattyúk számos más termék előnyeit egyesítik. A hidraulikus modellek, mechanikus szerkezetek és a tömítések különféle vonatkozásai terén szerzett sok éves tapasztalat lehetővé tette, hogy olyan átfogó tervezést dolgozzanak ki, amely nagy hatékonysággal, energiatakarékos tulajdonságokkal és nagy megbízhatósággal büszkélkedhet. Egyszerűbb felépítés, könnyebb szétszerelés és karbantartás, gazdaságosabb és praktikusabb szivattyú. A WE típusú merülőszivattyúk a következő alkalmazásokhoz alkalmasak: nyersvíz- és szennyvízellátás, öntözőrendszerek, talajvíz elvezetése, szökőkutak és árkok vízelvezetése.
| Tulajdonság | Érték |
|---|---|
| Emelőmagasság | Max. 20 m |
| Szállítási teljesítmény | Max. 166 liter/perc |
| Áramfelvétel | 3.4 A |
| Motor teljesítmény | 1500 Watt |
| Tápfeszültség | 400 V |
| Szigetelési osztály | F |
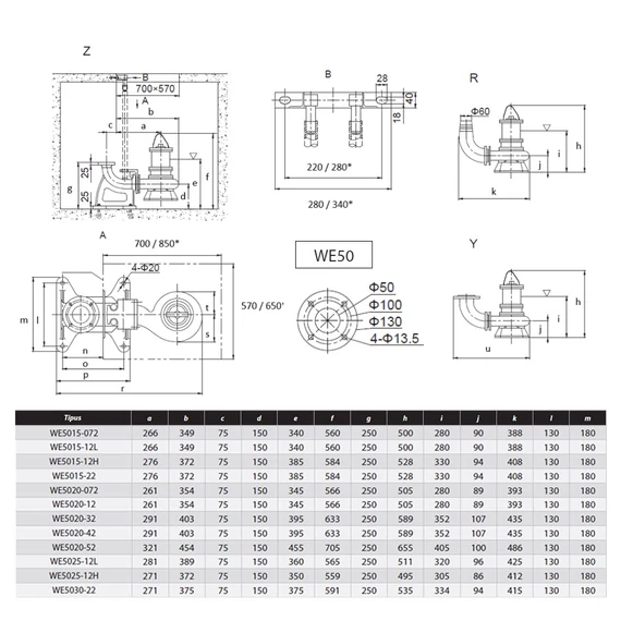
| Méretek H/SZ/M | 52/58/18 cm |
| Csőcsatlakozás | 50" |
| Tömeg | 26 kg |
| Környezeti maximális hőmérséklet | 40 °C |
| Motor fordulatszám | 2840 RPM |
| Üzemmód | Folyamatos |