Weboldalunk használatával jóváhagyja a cookie-k használatát a Cookie-kkal kapcsolatos irányelv értelmében.iQ PRO Pi-JET 210-3 | 52m 210l 1.85kW 3 év | Többfokozatú önfelszívó felszíni szivattyú
- Védettség IP55
- Garancia 36 hónap
- Cikkszám: 040171173
-
Elérhetőség:
Előrendelhető
- Gyártó: iQ PRO
-
iQ PRO Pi-JET felszíni szivattyú sorozat: önfelszívó, többfokozatú rozsdamentes acél felszíni szivattyú 3 éves gyári garanciával. A szivattyú vízellátó rendszerekhez, valamint tiszta, a vízhez hasonló viszkozitású és az AISI 304 rozsdamentes acélt nem korrodáló közegekhez készült. Alkalmas fűtési és hűtési rendszerekben történő alkalmazásra is. A sorozat elérhető 1~230V, 3~230V, 3~380V feszültségtartományban.
Bővebben lásd: termék adatlap 'Leírás' fül.
Még bővebben lásd: Felhasználói kézikönyv ITT.
Ha kérdésed van a saját rendszereddel kapcsolatosan, akkor ne habozz azt megosztani velünk - szívesen segítünk! Elérhetőségeinket megtalálod ITT
Termékfülek
Leírás és Paraméterek
iQ PRO Pi-JET 210 - es sorozat - Jellemzők
- Folyadék hőmérséklete: -20 – +70 °C.
- Maximális környezeti hőmérséklet: 50 °C.
- Tápfeszültség: 1~ 230 V vagy 3~ 400 V (3 × 230 V).
- Szigetelési osztály: F.
- Maximális szívómélység: 8m.
Maximális üzemi nyomás: 1 MPa / PM 10
iQ PRO Pi-JET 210 - as sorozat - Jelleggörbék
iQ PRO Pi-JET 210 - as sorozat - Műszaki adatok
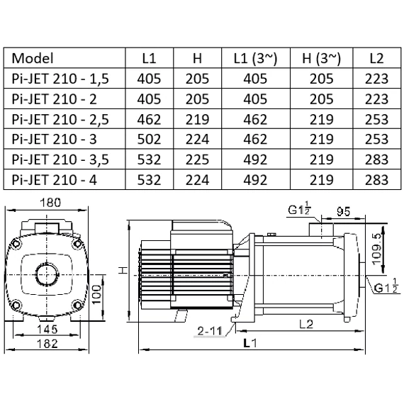
iQ PRO Pi-JET 210 - as sorozat - Méretek
iQ PRO Pi-JET sorozat - Robbantott ábra
Ha kérdésed van a saját rendszereddel kapcsolatosan, akkor ne habozz azt megosztani velünk - szívesen segítünk! Elérhetőségeinket megtalálod ITT
| Tulajdonság | Érték |
|---|---|
| Hálózati kapcsolat típusa | 230V |
| Emelőmagasság | Max. 52 m |
| Szállítási teljesítmény | Max. 210 liter/perc |
| Szívóképesség | Max. 5 m |
| Motor teljesítmény | 1850 Watt |
| Szigetelési osztály | F |
| Védettség | IP55 |
| Méretek H/SZ/M | 36/20/18,5 cm |
| Csőcsatlakozás | 1 1/2 x 1 1/2" |
| Tömeg | 18.5 kg |
| Folyadék minimális hőmérséklete | -20 °C |
| Környezeti maximális hőmérséklet | 50 °C |
| Folyadék maximális hőmérséklete | 70 °C |
| Motor fordulatszám | 2850 RPM |
| Üzemmód | Folyamatos |
| Hosszúság: | 502 mm |
| Szélesség: | 182 mm |
| Magasság: | 224 mm |